Disegni tecnici per Peugeot Django Euro 4 Blackcurrant
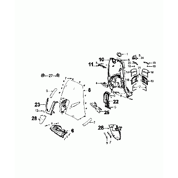
Clicca qui sui disegni tecnici, o exploded view, dello scooter Peugeot Django Euro 4 Blackcurrant per trovare i ricambi o accessori che cerchi. I disegni tecnici del Peugeot Django Euro 4 Blackcurrant ti offrono una chiara panoramica dei diversi ricambi e accessori compatibili. Cercando i tuoi ricambi in questo modo, avrai sempre i pezzi giusti per il tuo Peugeot Django Euro 4 Blackcurrant.


