USP Icon
Resi facili
USP Icon
I clienti valutano Zandri 9
USP Icon
Oltre 100.000 pezzi in assortimento

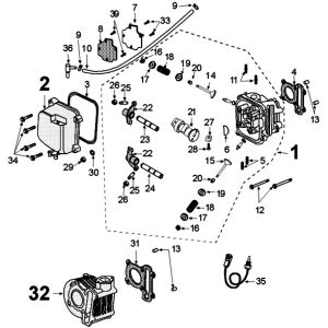
Corpo farfallato - Iniettore - Collettore di aspirazione - Peugeot Kisbee/ Django originale Euro 4 2018→ Sistema di iniezione Peugeot Kisbee 4 tempi E5

Corpo farfallato - Iniettore - Collettore di aspirazione - Peugeot Kisbee/ Django originale Euro 4 2018→ Sistema di iniezione Peugeot Kisbee 4 tempi E5
loader
Caricamento...

Ricambi Peugeot Kisbee Blackcurrant (Euro 4 dal 2018)