USP Icon
Resi facili
USP Icon
I clienti valutano Zandri 9
USP Icon
Oltre 100.000 pezzi in assortimento

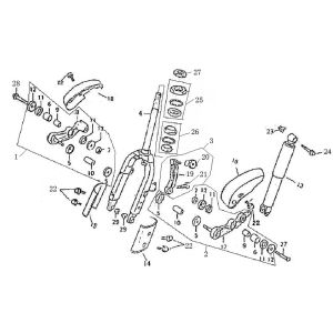
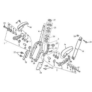
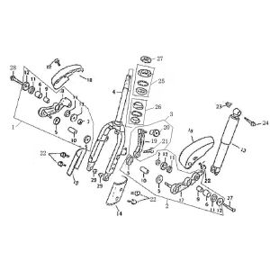
Pedana Viraggio Retro rossa

Pedana Viraggio Retro rossa
loader
Caricamento...

Viraggio Sensa (EURO 2; prima del 2018)