Disegni tecnici per Wangye HT50QT-12 125cc nero opaco
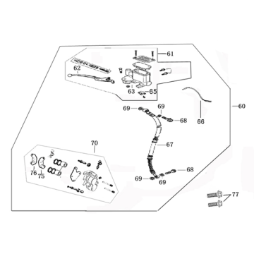
Clicca qui sui disegni tecnici o la vista esplosa della scooter Wangye HT50QT-12 125cc nero opaco per cercare i ricambi o accessori di cui hai bisogno. I disegni tecnici della Wangye HT50QT-12 125cc nero opaco ti forniranno una panoramica chiara dei vari ricambi e accessori compatibili. Così facendo, potrai sempre trovare ricambi compatibili per la tua Wangye HT50QT-12 125cc nero opaco.


