SYM ADX 125i ABS+TCS E5 2023 Petrol Green (GN-546U) onderdelen
De SYM ADX 125i ABS+TCS E5 2023 Petrol Green (GN-546U) is een opvallende en krachtige motorscooter die technologie, comfort en stijl perfect weet te combineren. De moderne 125cc injectiemotor voldoet aan de strenge Euro 5 emissienorm en levert soepele, zuinige prestaties met een laag brandstofverbruik. Dankzij het geavanceerde ABS-remsysteem en TCS (Traction Control System) geniet je van optimale controle en veiligheid in alle omstandigheden. De unieke Petrol Green kleur (GN-546U) zorgt voor een frisse, moderne uitstraling die perfect past bij het sportieve karakter van de ADX.
Bij Zandri vind je een ruim assortiment originele SYM onderdelen én kwalitatieve vervangende onderdelen voor de SYM ADX 125i ABS+TCS E5 2023 Petrol Green. Zo houd je jouw motorscooter in topconditie — of je nu onderhoud uitvoert, slijtageonderdelen vervangt of een specifieke reparatie plant.
Waarom kiezen voor de SYM ADX 125i ABS+TCS E5 2023 Petrol Green?
De SYM ADX 125i Euro 5 is ontworpen voor rijders die waarde hechten aan prestaties, veiligheid en stijl. De injectiemotor biedt directe gasrespons en soepel rijgedrag, terwijl het ABS-systeem en TCS zorgen voor maximale grip en controle — ook bij plotseling remmen of gladde ondergrond. De stijlvolle Petrol Green kleur (GN-546U) maakt deze uitvoering extra onderscheidend en geeft de scooter een krachtige, moderne uitstraling.
Veel bestelde SYM ADX 125i onderdelen bij Zandri
Sommige onderdelen van de SYM ADX 125i slijten sneller of moeten regelmatig worden vervangen. Bij Zandri hebben we deze onderdelen standaard op voorraad, zodat je snel weer veilig op weg bent. Veel bestelde onderdelen zijn onder andere:
- Kapdelen
- Luchtfilters
- Overbrengingsdelen
- Remonderdelen (inclusief ABS-componenten)
- Elektrische delen
- Schokbrekers
- Banden
- Olie- en brandstoffilters
Deze onderdelen bestel je eenvoudig en snel, zodat jouw SYM ADX 125i ABS+TCS E5 2023 Petrol Green (GN-546U) altijd betrouwbaar, veilig en rijklaar blijft.
Originele en vervangende SYM onderdelen
Bij Zandri kun je terecht voor zowel originele SYM onderdelen als kwalitatieve vervangende onderdelen. Originele onderdelen bieden de perfecte pasvorm en duurzaamheid, terwijl vervangende onderdelen een voordelig alternatief zijn. Zo kies je zelf wat het beste aansluit bij jouw onderhoudsbehoefte en budget.
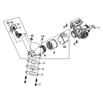
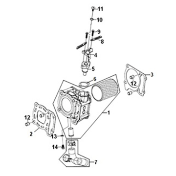
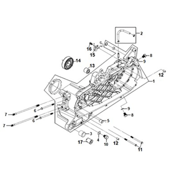
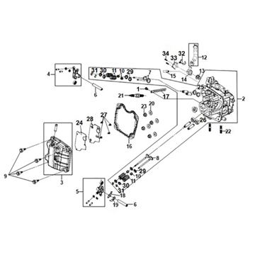
Vind eenvoudig het juiste onderdeel via technische tekeningen
Met behulp van onze duidelijke technische tekeningen zie je precies waar elk onderdeel hoort. Zo bestel je snel en zonder twijfel het juiste onderdeel rechtstreeks via onze webshop.
Zo werkt het:
- Kies jouw SYM ADX 125i ABS+TCS E5 2023 Petrol Green model (GN-546U)
- Bekijk de technische tekening
- Klik op het onderdeel dat je zoekt
- Bestel direct online
Waarom onderdelen bestellen bij Zandri?
- Snelle levering – levertijd 1-3 werkdagen
- Veel op voorraad – originele én vervangende SYM onderdelen
- Duidelijke tekeningen – je bestelt altijd het juiste onderdeel
- Goede klantenservice – wij denken met je mee
Bestel SYM ADX 125i ABS+TCS E5 2023 Petrol Green onderdelen bij Zandri
Bij Zandri vind je alles om jouw SYM ADX 125i ABS+TCS E5 2023 Petrol Green (GN-546U) in topconditie te houden. Of je nu kiest voor originele onderdelen of een kwalitatief vervangend alternatief — bij Zandri profiteer je van een groot assortiment, snelle levering en uitstekende service. Zo blijft jouw motorscooter betrouwbaar, veilig en klaar voor elke rit.


