USP Icon
Resi facili
USP Icon
I clienti valutano Zandri 9
USP Icon
Oltre 100.000 pezzi in assortimento

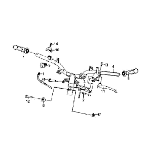
Variatore - Asse Kickstarter Sym Fiddle White WH8018P

Variatore - Asse Kickstarter Sym Fiddle White WH8018P
loader
Caricamento...

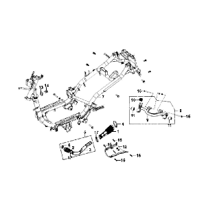
Sym Fiddle Argento S880S