USP Icon
Resi facili
USP Icon
I clienti valutano Zandri 9
USP Icon
Oltre 100.000 pezzi in assortimento

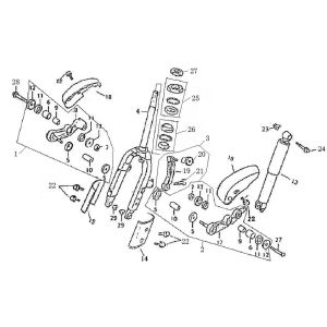
Pedana Lintex Retro HT50QT-29 blu crema

Pedana Lintex Retro HT50QT-29 blu crema
loader
Caricamento...

Ricambi Lintex Retro HT50QT-29 blu/crema