USP Icon
Resi facili
USP Icon
I clienti valutano Zandri 9
USP Icon
Oltre 100.000 pezzi in assortimento

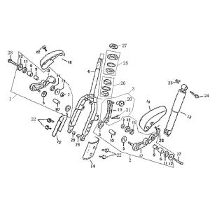
Ricambi Rover Exclusive vari (rosso)

Ricambi Rover Exclusive vari (rosso)
loader
Caricamento...

Ricambi Rover Exclusive rosso