USP Icon
Resi facili
USP Icon
I clienti valutano Zandri 9
USP Icon
Oltre 100.000 pezzi in assortimento

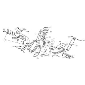
Blocco motore completo China GT blu

Blocco motore completo China GT blu
loader
Caricamento...