USP Icon
Resi facili
USP Icon
I clienti valutano Zandri 9
USP Icon
Oltre 100.000 pezzi in assortimento

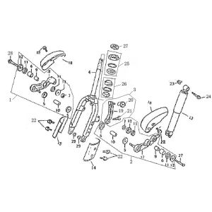
Indicatori anteriori AGM Retro ←2013 crema blu

Indicatori anteriori AGM Retro ←2013 crema blu
loader
Caricamento...

Ricambi AGM Retro per il 2013 blu crema