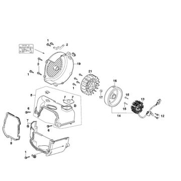
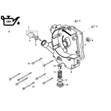
Technische tekeningen voor Neco Lola creme groen
Klik hier op de technische tekeningen of te wel exploded view van de Neco Lola creme groen scooter waar u onderdelen of accessoires voor zoekt. De technische tekeningen van de Neco Lola creme groen geven u een duidelijk overzicht van de verschillende passende onderdelen en accessoires. Door zo uw onderdelen te zoeken, heeft u altijd passende onderdelen voor uw Neco Lola creme groen.


