Disegni tecnici Honda MT80
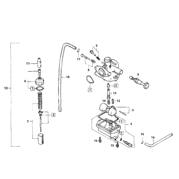
Clicca qui per i disegni tecnici o la vista esplosa del scooter Honda MT80 per trovare i ricambi o accessori di cui hai bisogno. I disegni tecnici del Honda MT80 offrono una panoramica chiara dei diversi ricambi e accessori compatibili. Cercando i ricambi in questo modo, troverai sempre quelli adatti per il tuo Honda MT80.


