USP Icon
Resi facili
USP Icon
I clienti valutano Zandri 9
USP Icon
Oltre 100.000 pezzi in assortimento

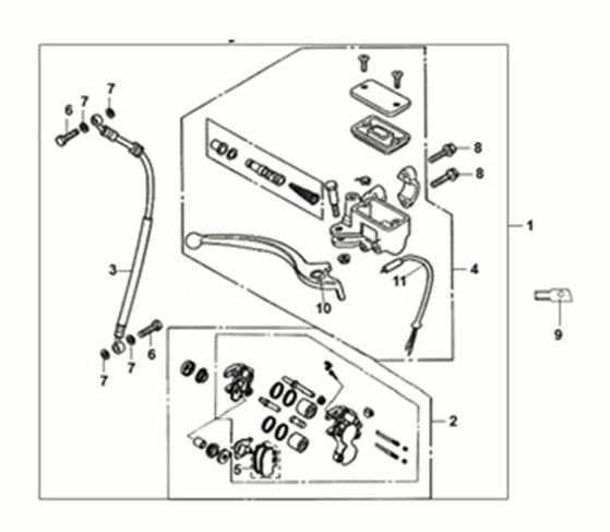
Pompa freno anteriore Sym X-Pro 50 E5

Pompa freno anteriore Sym X-Pro 50 E5
loader
Caricamento...