USP Icon
Resi facili
USP Icon
I clienti valutano Zandri 9
USP Icon
Oltre 100.000 pezzi in assortimento

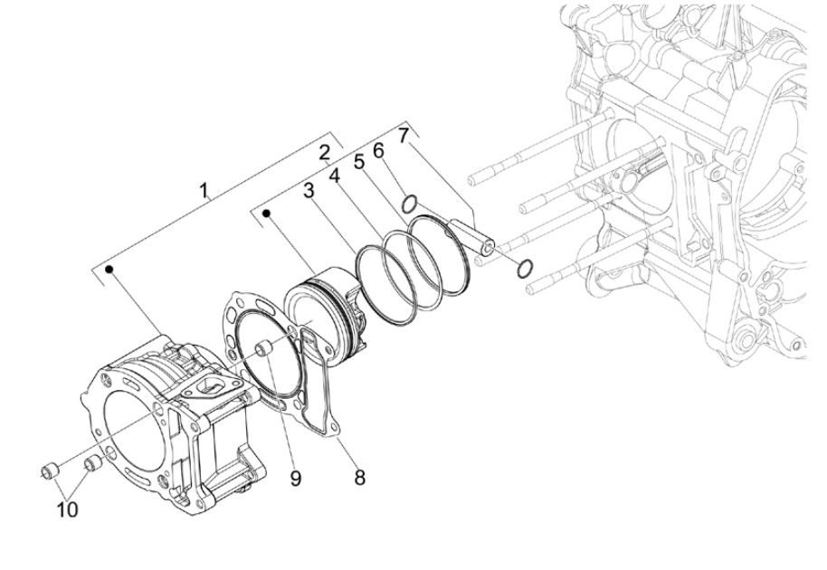
Cilindro - Pistone Vespa GTS 125 IE

Cilindro - Pistone Vespa GTS 125 IE
loader
Caricamento...

Vespa GTS 125 IE 2009-2016 nero 94