USP Icon
Resi facili
USP Icon
I clienti valutano Zandri 9
USP Icon
Oltre 100.000 pezzi in assortimento

CDI Speedfight 2 LC argento

CDI Speedfight 2 LC argento
loader
Caricamento...

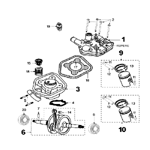
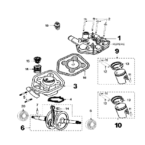
Ricambi Peugeot Speedfight 2 50cc 2 tempi LC (originali)