USP Icon
Resi facili
USP Icon
I clienti valutano Zandri 9
USP Icon
Oltre 100.000 pezzi in assortimento

Peugeot Tweet 125 E3 2010–2013 IRON GREY (M8) onderdelen

De Peugeot Tweet 125 E3 IRON GREY (M8) is een elegante en praktische scooter die stijl combineert met degelijkheid. De grijze metallic kleur (IRON GREY) geeft de scooter een moderne, zakelijke uitstraling, terwijl de 125 cc viertaktmotor zorgt voor stille en betrouwbare prestaties. Dankzij de Euro 3 motor is deze uitvoering zuinig en onderhoudsvriendelijk.

Bij Zandri vind je alle originele en vervangende onderdelen voor de Peugeot Tweet 125 E3 IRON GREY (M8), evenals een breed assortiment accessoires zoals windschermen, koffers, valbeugels en spiegels om jouw scooter helemaal af te maken.

Mostra di più
Peugeot Tweet 125 E3 2010-2013 IRON GREY (M8)
Scopri la nostra selezione in questa categoria
Articoli 1-18 di 32
arrow-sm-down

Veel bestelde Peugeot Tweet 125 E3 IRON GREY (M8) onderdelen bij Zandri

  • Beplatingsdelen
  • Remblokken / remsysteem
  • Variateur / aandrijving / overbrenging
  • Accu’s / elektrische delen
  • Banden
  • Filters / Bougie / Onderhoudsartikelen

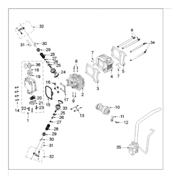
Alle onderdelen zijn eenvoudig te bestellen via de webshop van Zandri. Met duidelijke technische tekeningen vind je altijd het juiste onderdeel voor jouw Peugeot Tweet 125 E3 IRON GREY (M8), zodat je scooter betrouwbaar en rijklaar blijft.

Waarom onderdelen bestellen bij Zandri?

  • Snelle levering – levertijd 1–3 werkdagen
  • Veel op voorraad – originele, vervangende onderdelen en accessoires
  • Duidelijke technische tekeningen
  • Goede klantenservice
loader
Caricamento...