Disegni tecnici per Peugeot Ludix 10 pollici 2 tempi 50cc (replica / originali)
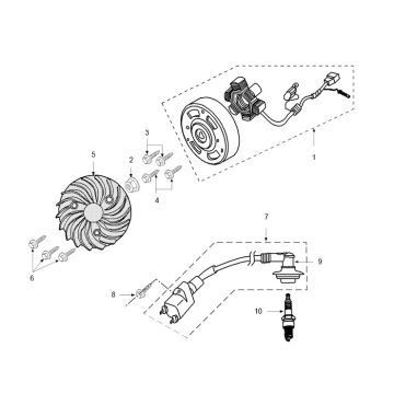
Fate clic qui sui disegni tecnici, ovvero sull’exploded view dello scooter Peugeot Ludix 10 pollici 2 tempi 50cc (replica / originali) per cui cercate ricambi o accessori. I disegni tecnici del Peugeot Ludix 10 pollici 2 tempi 50cc (replica / originali) offrono una panoramica chiara dei vari ricambi e accessori compatibili. Cercando i vostri ricambi in questo modo, avrete sempre i pezzi giusti per il vostro Peugeot Ludix 10 pollici 2 tempi 50cc (replica / originali).


