Disegni tecnici per Kymco Yup 2 tempi AC blu
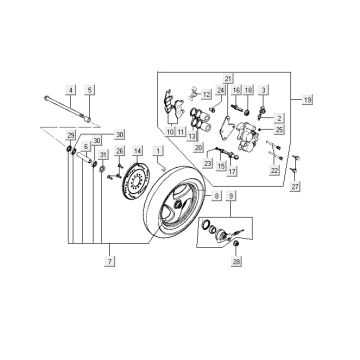
Fai clic qui sui disegni tecnici, ovvero esplosi della Kymco Yup 2 tempi AC blu, dove puoi trovare i ricambi o gli accessori che cerchi. I disegni tecnici della Kymco Yup 2 tempi AC blu ti offrono una panoramica chiara dei diversi ricambi e accessori compatibili. In questo modo, cercando i tuoi ricambi, avrai sempre componenti compatibili per la tua Kymco Yup 2 tempi AC blu.


