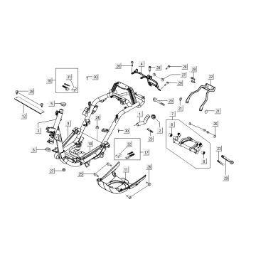
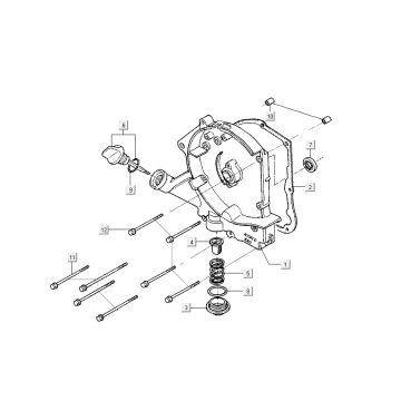
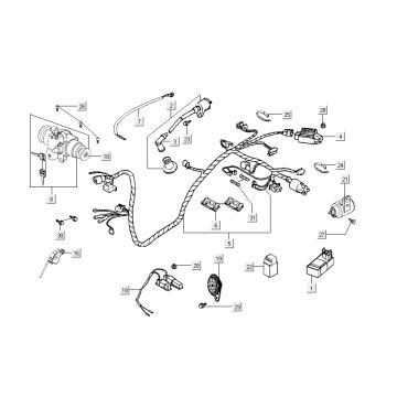
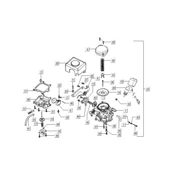
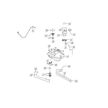
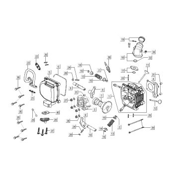
Disegni tecnici per Kymco Sento 4 tempi marrone
Clicca qui sui disegni tecnici o exploded view del Kymco Sento 4 tempi marrone per trovare rapidamente i ricambi o gli accessori che cerchi. I disegni tecnici del Kymco Sento 4 tempi marrone offrono una visione chiara e dettagliata dei diversi ricambi e accessori compatibili. Cercando in questo modo, avrai sempre la certezza di trovare ricambi perfettamente adatti al tuo Kymco Sento 4 tempi marrone.


