Disegni tecnici per Kymco Maxxer 90
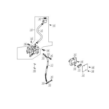
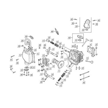
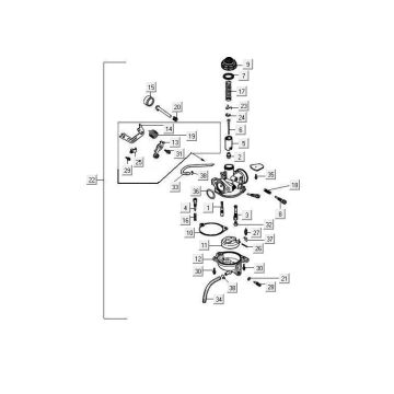
Fai clic qui sui disegni tecnici, ovvero esplosi della Kymco Maxxer 90, dove puoi trovare i ricambi o gli accessori che cerchi. I disegni tecnici della Kymco Maxxer 90 ti offrono una panoramica chiara dei diversi ricambi e accessori compatibili. In questo modo, cercando i tuoi ricambi, avrai sempre componenti compatibili per la tua Kymco Maxxer 90.
Ricambi per la Kymco Maxxer 90
Attraverso i nostri disegni tecnici della Kymco Maxxer 90, troverai facilmente e rapidamente i ricambi originali compatibili. I ricambi associati ai disegni sono ricambi originali, garantendo così la qualità originale.
Il MAXXER 90 è il modello base di Kymco
Il Maxxer 90 offre oltre a un'incredibile esperienza di guida anche una sicurezza ottimale, rendendolo perfetto per i più giovani guidatori di quad o ATV. Questo quad ha un telaio molto robusto, è facile da guidare e dotato di buoni freni a tamburo. Il motore si spegnerà automaticamente quando il conducente perde il controllo del manubrio tramite il cordino di emergenza. La manopola dell'acceleratore regolabile può essere impostata in base alle capacità di guida del conducente, garantendo sempre una situazione sicura. Inoltre, sono montati un faro alogeno e una luce posteriore per una visibilità perfetta e una buona visibilità . Nel complesso, un quad molto completo e sicuro.
DOTAZIONE Maxxer 90
- Manopola dell'acceleratore regolabile, adattabile alle capacità di guida
- Fermata di emergenza con cordino per una sicurezza ottimale
- Faro alogeno e luce posteriore
- Avviamento elettrico e avviamento a pedale
- Cambio automatico
- Maniglia posteriore per un facile spostamento
- Sospensione indipendente delle ruote anteriori


