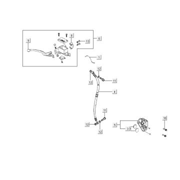
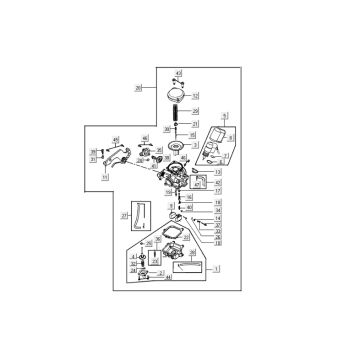
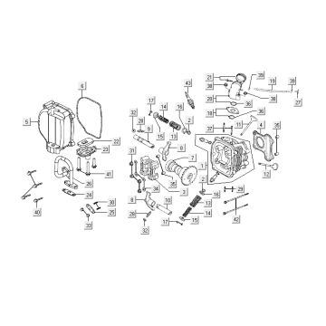
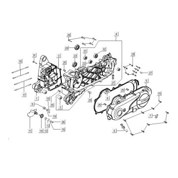
Disegni tecnici per Kymco Agility RS 4 tempi bianco 11
Clicca qui sui disegni tecnici, ovvero la vista esplosa, della Kymco Agility RS 4 tempi bianco 11 per cui stai cercando ricambi o accessori. I disegni tecnici della Kymco Agility RS 4 tempi bianco 11 ti offrono una panoramica chiara dei vari ricambi e accessori compatibili. Cercando i tuoi ricambi in questo modo, troverai sempre ricambi compatibili per la tua Kymco Agility RS 4 tempi bianco 11.


