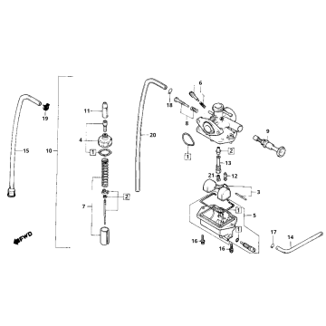
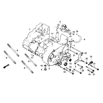
Disegni tecnici Honda MB50
Clicca qui per i disegni tecnici o la vista esplosa del scooter Honda MB50 per trovare i ricambi di cui hai bisogno. I disegni tecnici del Honda MB50 offrono una panoramica chiara dei diversi ricambi compatibili. Cercando i ricambi in questo modo, troverai sempre quelli adatti per il tuo Honda MB50.


