Disegni tecnici per Generic Xor nero 2009 2 tempi
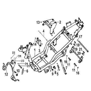
Consulta qui i disegni tecnici, ovvero l’esploso, dello scooter Generic Xor nero 2009 2 tempi per trovare i ricambi o accessori di cui hai bisogno. I disegni tecnici del Generic Xor nero 2009 2 tempi offrono una panoramica chiara di tutti i ricambi e accessori compatibili. Cercando i pezzi in questo modo, sei sicuro di acquistare sempre i ricambi giusti per il tuo Generic Xor nero 2009 2 tempi.


