Disegni tecnici AGM Retro dopo il 2013 fumosi
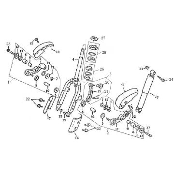
Clicca qui per visualizzare i disegni tecnici, ovvero l'exploded view della scooter AGM Retro dopo il 2013 fumosi, dove potrai trovare ricambi e accessori originali. I disegni tecnici dell'AGM Retro-50 offrono una panoramica dettagliata dei componenti compatibili, assicurando che tu possa reperire facilmente i ricambi per la tua AGM Retro dopo il 2013 fumosi. Se stai cercando specificamente Ricambi AGM Retro dopo il 2013 fumosi, questa guida ti aiuterà a individuare il pezzo perfetto per ogni esigenza.


