USP Icon
Resi facili
USP Icon
I clienti valutano Zandri 9
USP Icon
Oltre 100.000 pezzi in assortimento

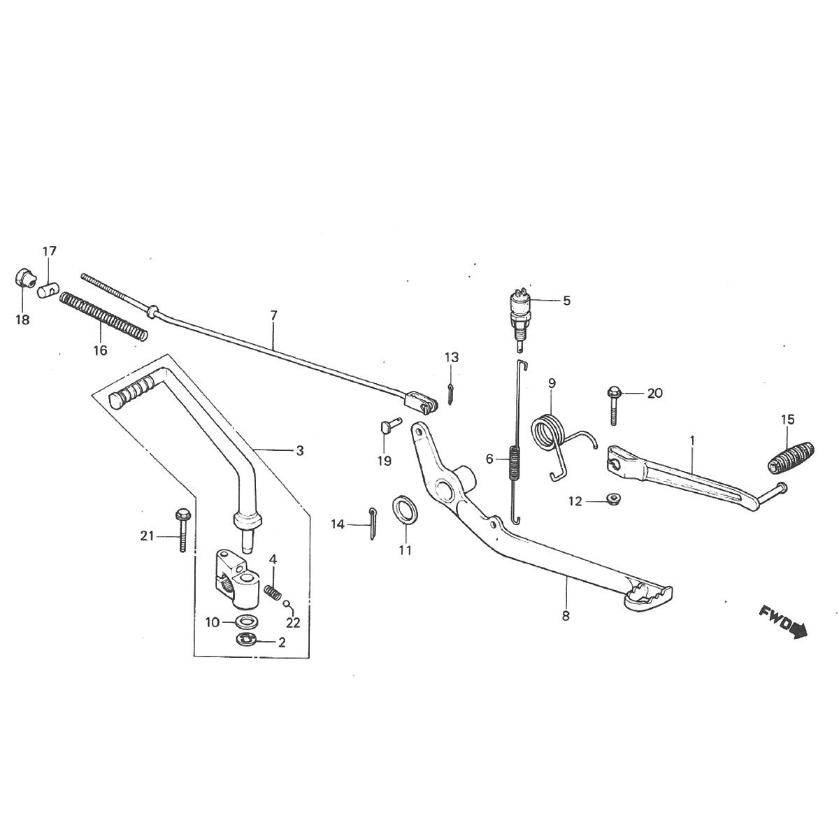
Pedale freno - Pedale cambio - Pedale kickstart Honda MT50

Pedale freno - Pedale cambio - Pedale kickstart Honda MT50
loader
Caricamento...