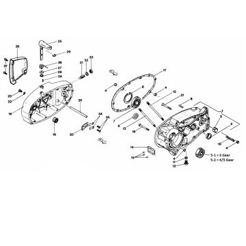
Disegni Tecnici Zundapp GTS 50 529-028
Fai clic qui per visualizzare i disegni tecnici, ovvero la vista esplosa della Zundapp GTS 50 529-028, dove puoi cercare i ricambi. I disegni tecnici della Zundapp GTS 50 529-028 ti offrono una panoramica chiara dei vari componenti compatibili. In questo modo, cercando i tuoi ricambi, sarai sicuro di trovare sempre i pezzi giusti per la tua Zundapp GTS 50 529-028.


