Disegni tecnici Yamaha FS1
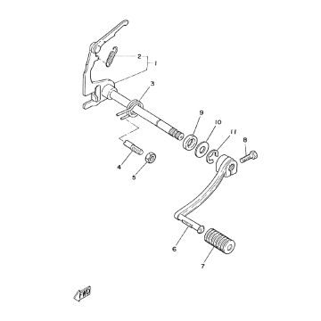
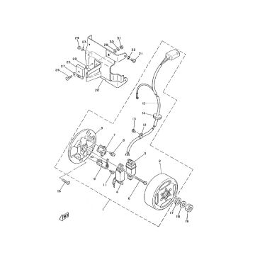
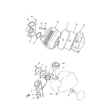
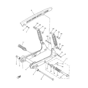
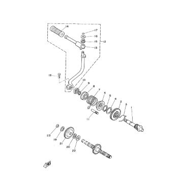
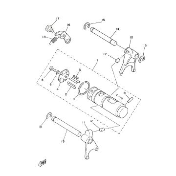
I disegni tecnici, o esplosi, della scooter Yamaha FS1 forniscono una panoramica chiara dei vari componenti e accessori compatibili con il tuo scooter. Utilizzando questi disegni, puoi facilmente trovare i pezzi giusti che si adattano perfettamente alla tua Yamaha FS1.
Come cercare i ricambi per la tua Yamaha FS1?
Offriamo una vasta selezione di ricambi per la Yamaha FS1. Scegli prima il tuo modello, consulta il disegno tecnico di cui hai bisogno e ordina i ricambi direttamente tramite il disegno. In questo modo sarai sempre sicuro di trovare i pezzi giusti per il tuo scooter Yamaha FS1!
Ricambi e accessori
Per la Yamaha FS1 sono disponibili sia ricambi originali che replica. Dalla parte motore agli accessori, tutto è facilmente reperibile tramite i disegni tecnici. Utilizza la funzione di ricerca o naviga tra le categorie per trovare i ricambi desiderati.


