Ricambi e accessori per Senzo Retro GT2
Fai clic qui sulla versione corretta dello scooter Senzo Retro GT2 per cui stai cercando ricambi o accessori. I disegni tecnici del Senzo Retro GT2 offrono una panoramica chiara dei vari ricambi e accessori compatibili. I ricambi originali del Senzo Retro GT2 naturalmente offrono la miglior compatibilità .
Lo scooter Senzo Retro GT2
È uno scooter molto divertente! Il Senzo Retro GT2 4 tempi ha un aspetto classico. Il Retro è dotato di un motore GY6, quindi adatto per benzina Euro 95. Grazie all’uso abbondante di parti cromate e al manubrio largo, il carattere retrò di questo scooter è ancora più accentuato! Il Senzo Retro è molto venduto, principalmente per scopi ricreativi.
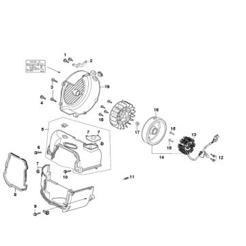
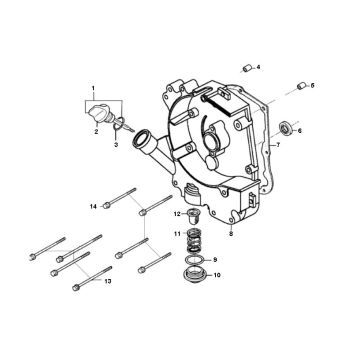
Ricambi tramite disegni tecnici per Senzo Retro
Qui sopra trovi i modelli della serie Retro di cui disponiamo dei disegni tecnici. Scegli prima il tuo modello e poi consulta il disegno di cui pensi di aver bisogno. Cercando i ricambi in questo modo, hai sempre la garanzia di compatibilità per il tuo Senzo Retro. Presta particolare attenzione ai carter di questo scooter, poiché possono variare. Per la manutenzione del tuo Senzo Retro è molto importante utilizzare ricambi compatibili, questo previene usura inutile e può farti risparmiare molti costi non necessari.
Ricambi e colori
Questo modello è disponibile in moltissimi colori. I colori a noi noti sono:
Tuttavia, non è garantito che ordinando un nuovo carter dello stesso colore, questo abbia esattamente la stessa tonalità delle parti presenti sul tuo scooter. Il colore può variare leggermente.
Ricambi per il Senzo Grande Retro
I ricambi per il Senzo Grande Retro sono facilmente reperibili tramite i nostri disegni tecnici. Scorri, poi ingrandisci e fai clic sull’immagine. Utilizzando i ricambi e accessori presenti nei disegni, hai la certezza di una compatibilità sempre al 100% e della minima usura dello scooter.
Scooter Senzo
Oltre a tutti i ricambi del Senzo Grande Retro che puoi trovare nei disegni tecnici sopra indicati, disponiamo anche di numerosi ricambi per molti altri modelli del marchio Senzo, che puoi trovare tramite i nostri disegni tecnici. Ad esempio:
Se non riesci comunque a trovare il ricambio desiderato, non esitare a contattare il nostro servizio clienti. Saremo lieti di aiutarti!


