Ricambi e accessori per Rover Classic
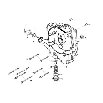
Clicca qui sulla versione corretta dello scooter Rover Classic per cui cerchi ricambi o accessori. I disegni tecnici del Rover Classic offrono una panoramica chiara delle varie parti e accessori compatibili. Naturalmente, i ricambi originali Rover Classic sono sempre la scelta migliore.
Hai bisogno di ricambi per il tuo scooter Rover Classic?
La Rover Classic è uno scooter classico retro a 4 tempi. Con il suo manubrio largo e molte parti cromate, il Classic è un vero e proprio eye-catcher tra gli scooter da tempo libero. Il design senza tempo, unito al motore 4 tempi GY6 relativamente efficiente, rende la Rover Classic un modello molto richiesto.
Cerchi ricambi per il tuo scooter Classic?
Possiamo fornire praticamente tutti i ricambi per il tuo scooter Rover Classic. Scegli prima il modello e poi consulta il disegno tecnico per individuare i ricambi necessari. Da quel disegno puoi ordinare facilmente i pezzi necessari. Cercando i ricambi e accessori tramite questi disegni tecnici, avrai sempre la garanzia di acquistare parti compatibili con il tuo modello Rover Classic.
Ricambi e accessori Rover
Per tutti i diversi tipi di scooter Rover sono disponibili numerosi ricambi e accessori. Da questa pagina puoi navigare verso la pagina con tutti i ricambi organizzati per tipo di scooter. Zandri offre ricambi originali e universali. Per i pezzi universali puoi cercare tramite le categorie oppure usare la barra di ricerca in alto a destra.


