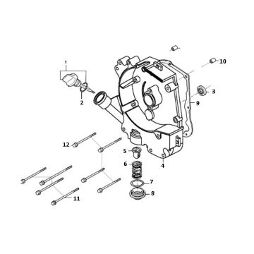
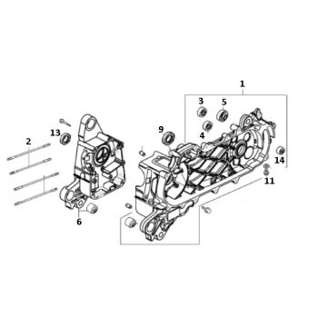
Technische tekeningen voor Neco Borsalino black edition wit
Klik hier op de technische tekeningen of te wel exploded view van de Neco Borsalino black edition wit scooter waar u onderdelen of accessoires voor zoekt. De technische tekeningen van de Neco Borsalino black edition wit geven u een duidelijk overzicht van de verschillende passende onderdelen en accessoires. Door zo uw onderdelen te zoeken, heeft u altijd passende onderdelen voor uw Neco Borsalino black edition wit.


