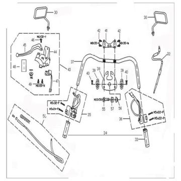
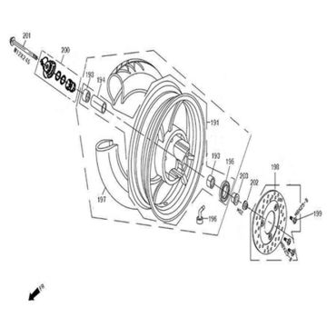
Technische tekeningen voor Neco Borsalino Uno crème
Klik hier op de technische tekeningen of te wel exploded view van de Neco Borsalino Uno crème scooter waar u onderdelen of accessoires voor zoekt. De technische tekeningen van de Neco Borsalino Uno crème geven u een duidelijk overzicht van de verschillende passende onderdelen en accessoires. Door zo uw onderdelen te zoeken, heeft u altijd passende onderdelen voor uw Neco Borsalino Uno crème.


