USP Icon
Resi facili
USP Icon
I clienti valutano Zandri 9
USP Icon
Oltre 100.000 pezzi in assortimento

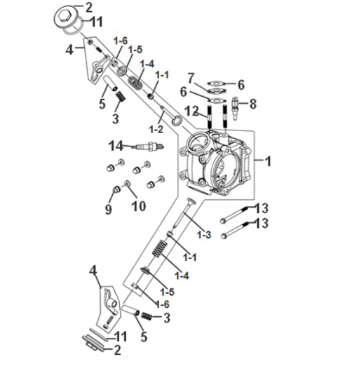
Testa cilindro Sym Symphony ST 50 E5

Testa cilindro Sym Symphony ST 50 E5
loader
Caricamento...

Sym Symphony ST Euro 5 Nero (BK-7C)