USP Icon
Resi facili
USP Icon
I clienti valutano Zandri 9
USP Icon
Oltre 100.000 pezzi in assortimento

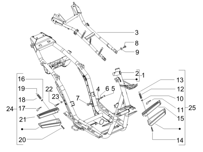
Telaio Gilera Runner 50 SP 50 2 tempi LC 2010-2017

Telaio Gilera Runner 50 SP 50 2 tempi LC 2010-2017
loader
Caricamento...

Ricambi Gilera Runner 50 SP 2010-2017 opaco nero 80/B