Tomos Revival onderdelen
De Tomos Revival is een modernere uitvoering van de bekende Tomos brommers, ontworpen met oog voor comfort en betrouwbaarheid. De Revival is geliefd vanwege zijn elegante design, soepele rijeigenschappen en degelijke techniek. Dankzij de herkenbare Tomos-bouwstijl en de betrouwbare motor is dit model nog altijd populair bij zowel jongeren als liefhebbers van klassieke brommers.
Bij Zandri vind je zowel originele Tomos onderdelen als kwalitatieve vervangende onderdelen. Zo heb je altijd de juiste keuze om jouw Tomos Revival in topconditie te houden, of je nu kiest voor OEM-kwaliteit of een voordelig alternatief.
Waarom kiezen voor de Tomos Revival?
De Tomos Revival biedt een fijne combinatie van moderne styling en de degelijkheid van de klassieke Tomos-techniek. Dankzij zijn betrouwbare motorblok en comfortabele zithouding is dit model ideaal voor dagelijks gebruik, maar ook geschikt voor liefhebbers die hun brommer graag onderhouden of restaureren. De Revival is daardoor een veelzijdige brommer met een tijdloos karakter.
Veel bestelde Tomos Revival onderdelen bij Zandri
Sommige onderdelen van de Tomos Revival slijten sneller of worden regelmatig vervangen tijdens onderhoud. Bij Zandri hebben we deze onderdelen ruim op voorraad. Denk hierbij aan:
- Banden
- Uitlaten
- Cilinders
- Luchtfilters
- Ketting en tandwielen
Deze onderdelen bestel je eenvoudig en snel, zodat je Tomos Revival altijd betrouwbaar en rijklaar blijft.
Originele en vervangende Tomos onderdelen
Bij Zandri bestel je zowel originele Tomos onderdelen als betrouwbare vervangende onderdelen. Originele onderdelen garanderen de beste pasvorm en kwaliteit, terwijl vervangende onderdelen vaak een voordelig alternatief zijn. Zo bepaal je zelf wat het beste bij jouw Tomos Revival past.
Daarnaast biedt Zandri de mogelijkheid om onderdelen te zoeken op OEM-nummers (ter referentie). Zo weet je altijd zeker dat je het juiste vervangende onderdeel bestelt.
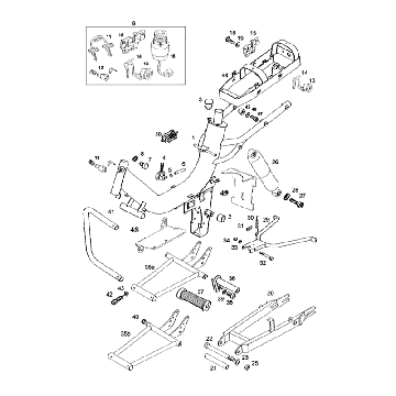
Vind eenvoudig het juiste onderdeel via technische tekeningen
Met behulp van de duidelijke technische tekeningen zie je precies waar elk onderdeel hoort. Je hoeft dus nooit te gokken en bestelt altijd het juiste onderdeel via onze webshop.
Zo werkt het:
- Kies jouw Tomos Revival model
- Bekijk de technische tekening
- Klik op het onderdeel dat je zoekt
- Bestel direct online
Montagehulp via ons YouTube-kanaal
Heb je hulp nodig bij het monteren van onderdelen? Op ons YouTube-kanaal vind je handige montagevideo’s speciaal voor Tomos brommers. Hier laten we stap voor stap zien hoe je onderdelen monteert en je Revival in topconditie houdt.
Waarom onderdelen bestellen bij Zandri?
- Snelle levering – levertijd 1-3 werkdagen
- Veel op voorraad – originele én vervangende Tomos onderdelen
- Duidelijke tekeningen – je bestelt altijd het juiste onderdeel
- Goede klantenservice – wij denken met je mee
Bestel Tomos Revival onderdelen bij Zandri
Of je nu kiest voor originele onderdelen of een voordelig vervangend alternatief: bij Zandri vind je alles om jouw Tomos Revival in topconditie te houden. Profiteer van ons ruime aanbod, snelle levering en uitstekende service.


