Tomos Quadro EX (L0-L1) onderdelen
De Tomos Quadro EX (L0-L1) is een sportieve uitvoering binnen de Quadro-serie en onderscheidt zich door zijn moderne styling en praktische details. Net als de eerste Quadro is dit model herkenbaar aan de stuurkap met geïntegreerde kilometerteller en knipperlichten, wat hem niet alleen een stoer uiterlijk gaf maar ook extra veiligheid bood. De EX-uitvoering combineerde deze moderne looks met de degelijke Tomos-techniek en is daardoor nog altijd een gewild model.
Bij Zandri vind je zowel originele Tomos onderdelen als kwalitatieve vervangende onderdelen. Zo houd je jouw Tomos Quadro EX (L0-L1) altijd in topconditie, of je nu kiest voor OEM-kwaliteit of een voordelig alternatief.
Waarom kiezen voor de Tomos Quadro EX?
De Tomos Quadro EX (L0-L1) is geliefd bij rijders die een sportieve brommer met een herkenbaar design zoeken. De stuurkap met kilometerteller en knipperlichten maakte dit model uniek binnen de Tomos-serie. In combinatie met het betrouwbare motorblok en de comfortabele zithouding blijft dit model ook vandaag de dag populair bij liefhebbers en verzamelaars.
Veel bestelde Tomos Quadro EX onderdelen bij Zandri
Sommige onderdelen van de Tomos Quadro EX slijten sneller of worden vaak vervangen tijdens onderhoud. Bij Zandri hebben we deze onderdelen altijd ruim op voorraad. Denk hierbij aan:
- Banden
- Uitlaten
- Cilinders
- Luchtfilters
- Ketting en tandwielen
Deze onderdelen bestel je eenvoudig en snel, zodat je Tomos Quadro EX (L0-L1) altijd betrouwbaar en rijklaar blijft.
Originele en vervangende Tomos onderdelen
Bij Zandri bestel je zowel originele Tomos onderdelen als betrouwbare vervangende onderdelen. Originele onderdelen garanderen de beste kwaliteit en pasvorm, terwijl vervangende onderdelen vaak een voordelig alternatief zijn. Zo bepaal je zelf wat het beste past bij jouw Quadro EX.
Daarnaast biedt Zandri de mogelijkheid om onderdelen te zoeken op OEM-nummers (ter referentie). Zo weet je altijd zeker dat je het juiste vervangende onderdeel bestelt.
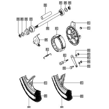
Vind eenvoudig het juiste onderdeel via technische tekeningen
Met behulp van de duidelijke technische tekeningen zie je precies waar elk onderdeel hoort. Je hoeft dus nooit te gokken en bestelt altijd het juiste onderdeel via onze webshop.
Zo werkt het:
- Kies jouw Tomos Quadro EX (L0-L1) model
- Bekijk de technische tekening
- Klik op het onderdeel dat je zoekt
- Bestel direct online
Montagehulp via ons YouTube-kanaal
Heb je hulp nodig bij het monteren van onderdelen? Op ons YouTube-kanaal vind je handige montagevideo’s speciaal voor Tomos brommers. Hier laten we stap voor stap zien hoe je onderdelen monteert en je Quadro EX in topconditie houdt.
Waarom onderdelen bestellen bij Zandri?
- Snelle levering – levertijd 1-3 werkdagen
- Veel op voorraad – originele én vervangende Tomos onderdelen
- Duidelijke tekeningen – je bestelt altijd het juiste onderdeel
- Goede klantenservice – wij denken met je mee
Bestel Tomos Quadro EX onderdelen bij Zandri
Of je nu kiest voor originele onderdelen of een voordelig vervangend alternatief: bij Zandri vind je alles om jouw Tomos Quadro EX (L0-L1) in topconditie te houden. Profiteer van ons ruime aanbod, snelle levering en uitstekende service.


