USP Icon
Resi facili
USP Icon
I clienti valutano Zandri 9
USP Icon
Oltre 100.000 pezzi in assortimento

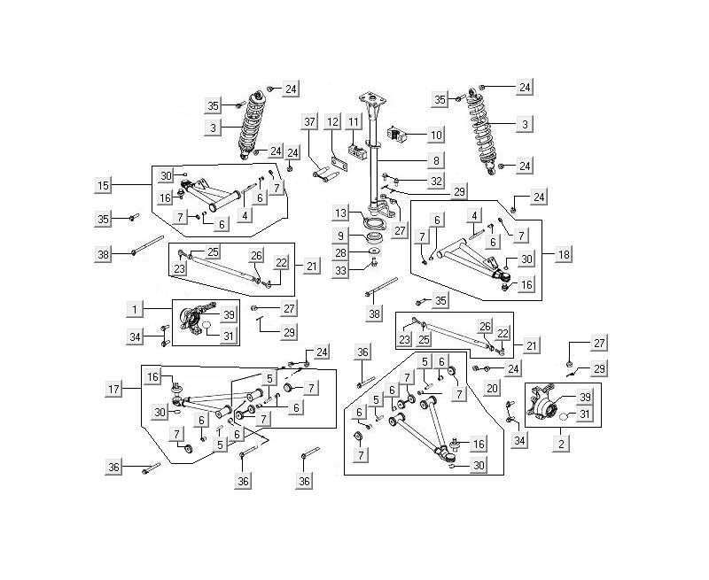
Sospensioni del motore MXU 400

Sospensioni del motore MXU 400
loader
Caricamento...