USP Icon
Resi facili
USP Icon
I clienti valutano Zandri 9
USP Icon
Oltre 100.000 pezzi in assortimento

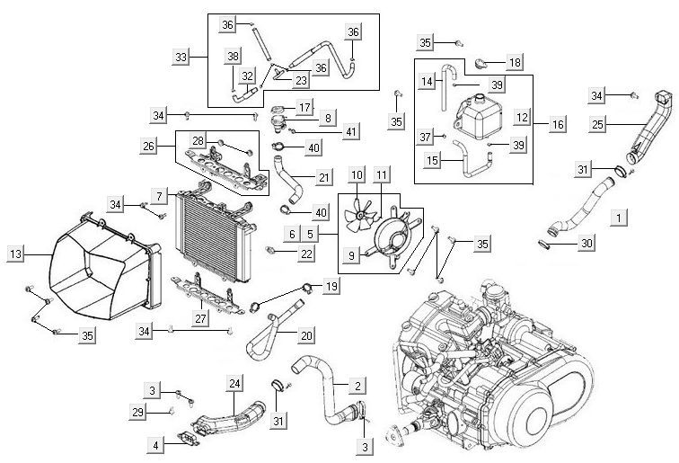
Radiatore - Sistema di raffreddamento Kymco MXU 500

Radiatore - Sistema di raffreddamento Kymco MXU 500
loader
Caricamento...