USP Icon
Resi facili
USP Icon
I clienti valutano Zandri 9
USP Icon
Oltre 100.000 pezzi in assortimento

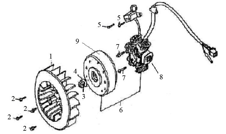
Accensione - Statore - Volano Neco Borsalino 125

Accensione - Statore - Volano Neco Borsalino 125
loader
Caricamento...

Neco Borsalino 125cc