USP Icon
Resi facili
USP Icon
I clienti valutano Zandri 9
USP Icon
Oltre 100.000 pezzi in assortimento

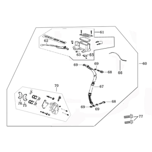
Volante - Componenti dello sterzo China VX/Riva titanium

Volante - Componenti dello sterzo China VX/Riva titanium
loader
Caricamento...

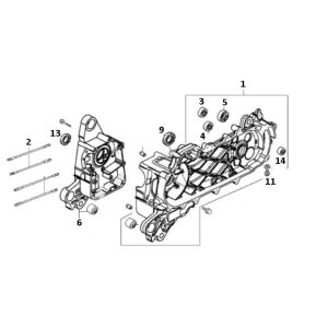
Ricambi Benda Benson Euro4 titanio