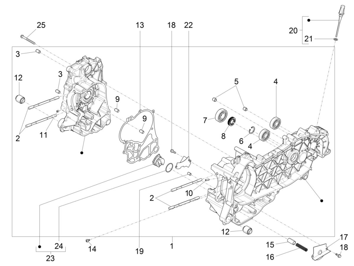
Carter Piaggio Beverly 300 IE ABS Euro 4 2016-2020
Carrello
Prodotti nel carrello Prodotto nel carrello
Subtotale:
Spedizione:
Stimato nella fase successiva
Subtotal excl Tax:
Esegui il checkout utilizzando il tuo account
Esegui il checkout come nuovo cliente
La creazione di un account ha molti vantaggi: