USP Icon
Resi facili
USP Icon
I clienti valutano Zandri 9
USP Icon
Oltre 100.000 pezzi in assortimento

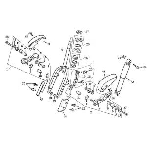
Accu Lintex Retro HT50QT-29 nero crema

Accu Lintex Retro HT50QT-29 nero crema
loader
Caricamento...

Ricambi Lintex Retro HT50QT-29 nero crema